Place Viau : un centre commercial à la fine pointe énergétique!
Dans tous les marchés, on constate une volonté accrue de concevoir, construire et opérer des immeubles de plus en plus conviviaux et performants. Le projet de la Place Viau est un exemple parfait d’intégration, avec son concept de boucle thermique qui permet une optimisation de la performance énergétique. Les résultats obtenus par la firme Pageau Morel sont probants.
Un projet commercial très ambitieux
First Capital souhaitait revitaliser sa place d’affaires par la construction d’un nouveau centre commercial efficace, innovant et axé sur le développement durable. Pour réaliser ce bâtiment ambitieux, plusieurs défis étaient à relever. Le projet devait :
- être situé près des axes routiers de l’autoroute métropolitaine Est et de la rue Viau (Sud-Ouest) à Saint-Léonard,
- posséder une superficie d’environ 340 000 pi² (31 587 m²) d’espaces commerciaux,
- permettre 1 300 cases de stationnement en sous-sol,
- et assurer un accès véhiculaire sécuritaire, avec des rampes d’accès chauffantes.
Des contraintes majeures de conception
Axée sur le développement durable, First Capital souhaitait que son bâtiment obtienne la certification Argent selon la norme LEED-Noyau et enveloppe.
Une autre contrainte dans ce projet venait du site. En effet, la nature du site et de l’aménagement imposait qu’il n’y ait pas d’équipements montés en toiture ni de salle mécanique adjacente aux espaces locatifs, afin d’optimiser la surface disponible.
Conception innovante
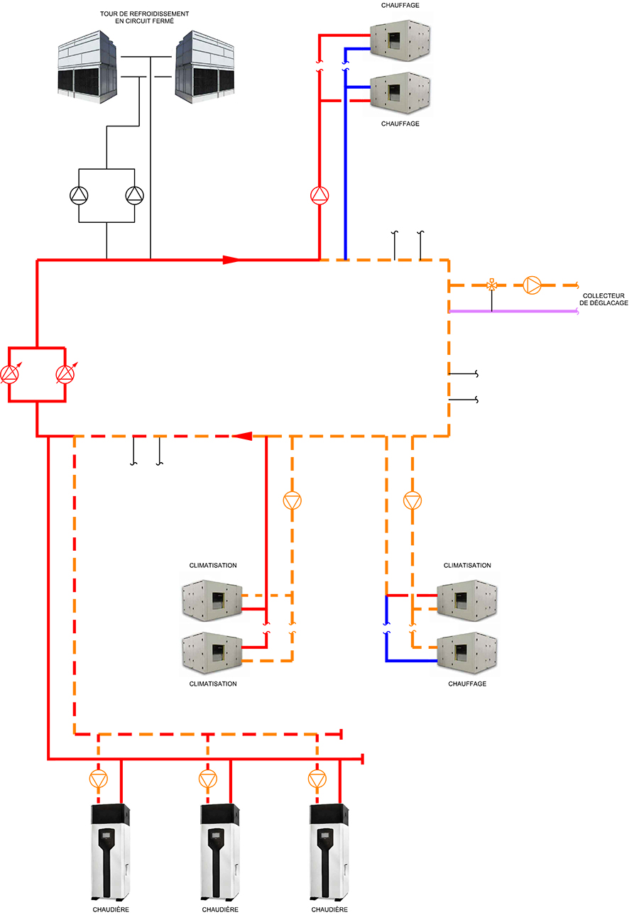
Afin de maximiser l’investissement et après avoir analysé plusieurs options, il a été décidé d’utiliser une boucle de récupération commune et des thermopompes hybrides permettant une utilisation efficace et une réduction de l’énergie de compression en n’utilisant pas le compresseur en mode chauffage.
Le chauffage est réalisé par des serpentins raccordés à la boucle d’eau mitigée, dont la température est maintenue pour permettre le chauffage et simultanément permettre aux compresseurs de rejeter la chaleur dans la boucle. Le réajustement du point de consigne de la boucle contribue aussi à optimiser l’efficacité des thermopompes en mode climatisation lorsque la demande de chauffage est réduite. Un système utilisant des tours d’eau et des chaudières à condensation permet le maintien de la température de la boucle de récupération commune.
Afin de maintenir la sécurité des accès véhiculaires, les rampes d’accès extérieures sont déglacées par un système de dalles radiantes raccordées à la boucle commune de partage de l’énergie. Aussi, les stationnements étagés sont desservis par des unités de ventilation à bruleur direct, maintenant une température ambiante de minimum 10 °C.
Chaque espace commercial est donc desservi par des thermopompes hybrides permettant le chauffage et la climatisation.
Gros plan sur la boucle de récupération
Une première récupération est possible grâce à la boucle d’échange composée d’un mélange en parts égales de propylène glycol et d’eau alimentant les thermopompes, permettant un transfert entre les différents locataires et espaces communs du complexe.
En période d’entre-saison, la boucle agit comme banque d’énergie, permettant de récupérer l’énergie rejetée par certaines unités. La chaleur excédentaire de certains commerces nécessitant de la climatisation est ainsi transmise à la boucle et fournie aux autres unités requérant du chauffage. Vu la géométrie alignée et étendue du complexe, ce dernier a été divisé en zones à l’intérieur desquelles s’effectue un premier échange d’énergie.
Aussi, des récupérateurs énergétiques à noyaux fixes installés sur le système de renouvellement d’air permettent de réutiliser l’énergie autrement rejetée à l’extérieur par la ventilation.
L’apport de chaleur complémentaire à la boucle de récupération est assuré par un ensemble de trois chaudières à condensation fonctionnant au gaz naturel d’une capacité de 5 000 000 Btu/h (1 464 kW) chacune. La séquence de contrôle de ces chaudières permet un fonctionnement optimal afin de répondre aux différents niveaux de demandes de chaleur.

Figure 1 : Schéma simplifié du projet « Place Viau », gracieuseté de Pageau Morel.
Simulation énergétique : réduction d’environ 33 % des coûts énergétiques
Lors de la conception, la simulation énergétique intégrant toutes les mesures de récupération d’énergie ainsi que la performance améliorée de l’enveloppe démontrait qu’une réduction de l’ordre de 33 % des coûts énergétiques serait atteinte par rapport à CMNÉB 1997.
Après analyse des années 2016 et 2017, la prévision de consommation de gaz naturel simulée s’est avérée juste.

Figure 2 : Comparaison de la consommation énergétique et coûts du gaz naturel
Outre le système de climatisation, ventilation et air conditionné permettant d’optimiser la consommation énergétique, le bâtiment possède aussi :
- Des appareils de plomberie à faible consommation d’eau potable permettant une réduction de la consommation d’eau de 40 % par rapport à l’utilisation d’appareils standards;
- Un réservoir d’eau de pluie pour l’irrigation des aires de plantation permanentes;
- Des sondes de dioxyde de carbone, afin de réduire la consommation d’air extérieur en fonction de l’occupation;
- Une conception de l’éclairage permettant la réduction de la pollution lumineuse, incluant un dispositif de commande automatique afin de réduire la puissance utilisée en dehors des heures d’opération ainsi qu’une conception de l’éclairage extérieur conforme à l’IESNA;
- Un vitrage double avec enduit à faible émissivité et remplissage d’argon, intercalaire non conducteur entre les vitrages et coupure thermique des cadres en aluminium.
En somme, les objectifs de conception ont été atteints en respectant les besoins de First Capital, obtenant même une certification Or selon la norme LEED-Noyau et enveloppe.
Auteurs:
Marc-Olivier de Tilly, ing., PA LEED BD+C, chargé de projet et associé chez Pageau Morel et associés Inc.
Introduction de l’article par Marc Beauchemin, ing. CEM, conseiller DATECH, Technologies et innovation chez Énergir.
Référence:
Groupe DATECH d’Énergir, Informa-TECH Volume 32, numéro 2, juin 2018
