HOLISTIC ENERGY PERFORMANCE IMPROVEMENT, HOPE PAVILION, MONTREAL JEWISH ELDERCARE CENTRE
After a detailed energy audit was performed at the Hope Pavilion of Montreal’s Jewish Eldercare Centre, a series of Energy Conservation Measures were proposed and a retrofit was implemented to drastically reduce energy consumption and lower the carbon footprint. The measures were successfully implemented, and provided the predicted energy performance.

A comprehensive approach to energy performance improvements was adopted wherein building internal heat gains are recovered and ventilation efficiency was improved to reduce heating demand, all of which made a new geothermal heating and cooling system feasible. The pavilion also benefitted from a lighting upgrade. A new centralized control system integrated the HVAC systems and ECMs for harmonious operation. The pavilion has a floor area of 25,743 m2 (277,000 ft2), it was built in 1990, is five stories tall and located in Montreal, Quebec. The initial feasibility study consisted of an ASHRAE Level 2 building energy audit which explored all options. Thorough surveys lead to an ASHRAE Level 3 audit building energy audit focusing on the proposed ECMs.
Energy Conservation Measures
ECM 1: Modifications of Dual-duct HVAC Systems
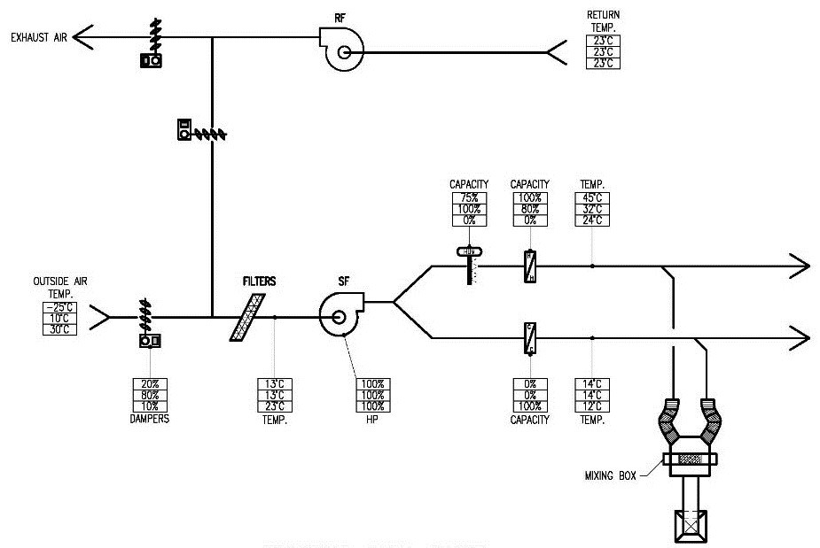
A dual-duct HVAC system consists of a supply-and-return with two separate supply ducts leading from the air handling unit. One duct supplies cold air while the other supplies hot air to each of the zones single terminal unit. To achieve the correct supply air temperature both hot and cold air are mixed together in the required proportions at the zone level. A typical dual-duct system is fed by a single Outdoor Air (OA) intake duct.
To achieve the required cold-deck conditions, namely a mixed temperature of 13°C (55°F), the OA volumes of the original dual-duct system surpassed ASHRAE Standard 62.1 requirements. This was the case during the heating and shoulder seasons for economizer action (free-cooling). During the heating season it was estimated that original OA rates were 20% of supply air. However only 10-15% was sufficient, which led to superfluous heating.

Figure 1: Typical operating conditions of the existing dual-duct ventilation system
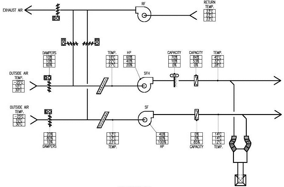
The common OA intake for each of the three large conventional dual-duct systems was separated into individual hot- and cold-deck OA intakes, allowing a reduction in OA for the hot-deck. Each hot and cold-deck was now served by its own OA intake.
During heating and shoulder seasons, the new hot-deck mixed temperature is maintained at 18°C (65°F), reducing heating demand, whereas cold-deck mixed temperature is maintained at the required 13°C (55°F).

Figure 2: New hot and cold-deck configuration showing typical operating conditions
Conversion of dual to single-duct systems consisted of inserting a second supply fan and additional ductwork to isolate hot and cold-decks. A separate OA intake was configured for each hot and cold-deck.


Figure 3A: Pre-retrofit modifications to AHU Figure 3B: Post-retrofit modifications
ECM 2: Heat Recovery Chiller
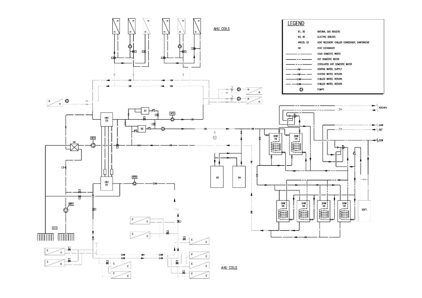
A new heat recovery chiller was installed to reclaim all internal heat gains (occupants, equipment, plug loads and solar gains) while providing chilled water to air-handler cooling coils. Reclaimed heat is transferred to air-handler heating coils and year-long Domestic Hot Water (DHW) production. During the cooling season, excess reclaimed heat is transferred to the closed-loop vertical geothermal wells which recharge the Ground-source Heat Exchanger (GHX) for reliable perennial use. The heat recovery chiller, geothermal ground-source heat exchanger and backup boilers simultaneously serve the air handler heating and cooling coils and DHW production for efficient energy management. The heat recovery chiller and interconnected hot and chilled water loops are shown in Figure 4.

Figure 4: Chilled and hot water hydronic circuits showing new pipework in bold
ECM 3: Domestic Hot Water Production
DHW production is provided by specially designed highly efficiency heat exchangers. Electric boilers boost DHW temperature to required levels. This ECM is particularly useful in a healthcare institution since DWH consumption is particularly high.
ECM 4: Ground Heat Exchanger
During the heating season, a GHX provides energy for heating and DHW production. Condensing-type natural-gas boilers serve as supplemental sources of heat with electric boilers as backup.
ECM 5: Conversion of a Constant-Volume System to VAV
A large constant volume, supply-and-return HVAC system was converted to a VAV system with VFDs on fan motors modulating fan speed to observe static pressure setpoint in the ductwork.
ECM 6: A New, Efficient Building Management System (BMS)
A new efficient centralized Direct-Digital Control (DDC) system was programmed and commissioned to integrate and automate the operation of all equipment and ECMs.
All main pumps and fan motors were equipped with VFDs for efficient modulation. New solid-state TRIACs were installed to allow better control of peripheral, electric baseboards, thereby increasing comfort and potential for load shedding. Areas with intermittent occupancy were set up with unoccupied temperature setbacks.
ECM 7: Lighting Upgrade
All interior lighting fixtures were upgraded from their original T12 format to the most efficient T8 fluorescent fixtures that were available at the time of the retrofit.
Indoor Air Quality and Thermal Comfort
Much attention is provided to Indoor Air Quality (IAQ), since the occupants (patients) may be particularly sensitive to poor IAQ. Thermal comfort is also highly important and carefully controlled. Mechanical ventilation systems must provide occupants with air that is free of dust, dirt, odors and other pollutants, in sufficient quantity and under conditions of temperature and humidity compatible with the clientele of the center. The new BMS was carefully programmed, calibrated, and thoroughly commissioned for that purpose. A team of trained technicians carry out IAQ tests, monitor airflows, and setpoint parameters on the BMS screens, carry out periodic equipment inspections, and proactively address all issues. By means of state-of-the-art controls, they ensure ASHRAE Standard 62.1 and Standard 55, and stringent provincial code requirements are observed for the various zone types (i.e. patient rooms, offices, service areas and cafeteria, etc.). Furthermore, they carry out thorough maintenance of HVAC filters and system components through a comprehensive preventative maintenance schedule to provide, not only energy efficiency, but also indoor air quality and thermal comfort.
Innovation
A dual-to-single duct conversion, as per ECM 1, is not a common measure to improve energy efficiency. Heat recovery chillers (i.e. ECM 2), on the other hand, are a common means to improve the efficiency of dual-duct systems, without converting to single duct systems. Modular, water-to-water heat-pumps are often employed to transfer the heat reclaimed from the chilled water to heating coils. Dual-to-single duct conversions and a heat recovery chiller were combined with a GHX to serve the air handler heating and cooling coils and DHW production for holistic and efficient energy management.
Operation and Maintenance
The required maintenance for the installed measures is not more intense than it was prior to implementing the ECMs. The new lighting fixtures do not require additional maintenance compared to the original ones. The BMS is sufficiently reliable and does not require intensive maintenance either. The new boilers, pumps and heat recovery chiller will require periodic inspections, similar to the original boilers, pumps, chiller and water tower. During the cooling season, excess heat is dissipated to the GHX, drastically reducing cooling tower operation and associated maintenance. Modifications to air handlers do not increase their level of required maintenance either. New hot-deck direct-drive supply fans will require additional attention, but all control upgrades facilitate preventive upkeep of equipment, by means of real-time monitoring, data logging and control. One of the project goals was not to increase the intensity of required maintenance, but to facilitate a preventative maintenance schedule. The goals were achieved.
Cost Effectiveness
Energy simulations were performed hourly. End-use annual consumption profiles were established and calibrated. Customized spreadsheets and data-post-processing was used to validate and predict final ECM savings by means of detailed first principle calculations. Energy performance targets were met.
The pre and post-retrofit energy consumption, savings and carbon footprint reduction are presented in Tables 1, 2 and 3. If the deep energy retrofit were not carried out (baseline year), the building would annually consume 395,519 m3 and 7,862,668 kWh of natural gas and electricity, respectively. The annual natural gas and electrical utility costs would amount to 155,044 $ and 552,823 $, respectively, for a total of 707,866 $. Due to the deep energy retrofit, the building annually consumes 208,279 m3 and 5,185,200 kWh of natural gas and electricity, respectively. The natural gas and electrical annually utility costs amount to 81,645 $ and 393,635 $, respectively, for a total of 475,280 $. Required baseline adjustments are due to operational modifications and new equipment installation.
Post retrofit natural gas savings amounted to 187,240 m3 and 73,399 $. Post-retrofit electricity savings amounted to 2,677,468 kWh and 159,188 $. The implementation costs of the project amounted to 3,897,536 $. Considering all grants and incentives, the project cost was 1,540,705$. The project achieved a simple payback period of seven years.
|
Annual natural gas consumption (m3) |
Annual natural gas cost
($) |
Annual electricity consumption (kWh) |
Annual electricity cost ($) |
|
| Baseline | 395,519 | 155,044 | 7,862,668 | 552,823 |
| Post-retrofit | 208,279 | 81,645 | 5,185,200 | 393,634 |
Table 1: Pre-retrofit (baseline) and post-retrofit energy consumption
| Annual natural gas savings
(m3) |
Annual natural gas savings
($) |
Annual electricity savings
(kWh) |
Annual electricity savings
($) |
|
| Post-retrofit | 187,240 | 73,399 | 2,677,468 | 159,188 |
Table 2: Post-retrofit savings
| Annual greenhouse gas emission reduction
(CO2 Tons-equivalent) |
Project implementation
cost ($) |
|
| Post-retrofit | 364.4 | 3,897,536 |
Table 3: Post-retrofit carbon footprint reduction
Environmental Impact
In the province of Quebec, Canada, hydro-electric power is considered clean since it has negligible greenhouse gas emissions. The carbon footprint reduction was achieved by reducing natural gas consumption. The deep energy retrofit resulted in annually reducing 364.4 tonnes of equivalent CO2 emissions, which corresponds to a 47% carbon footprint reduction. The original chiller used the soon-to-be-phased-out R-22 refrigerant which was replaced with a new environment-friendly R134A heat recovery chiller.
Authors:
Angelo Lazaris, ing.
Gestionnaire de projets et conseiller national de solutions complètes
Trane
Antonino Lagana, ing., M.ing.
Ingénieur principal, mécanique en efficacité énergétique
Stantec
Simon Caine, ing., CEM, CMVP, RCx
Ingénieur en énergie, solutions éconergétiques et contrôles
Trane
