L’Esplanade Tranquille à Montréal
Après de longs délais, la nouvelle place publique située au cœur du Quartier des spectacles, à Montréal, a été inaugurée le 30 août dernier. L’Esplanade Tranquille est dédiée à l’art et à la lecture l’été, et au patinage l’hiver, la place publique se transformant en une grande patinoire accessible gratuitement. Jusqu’à 400 personnes peuvent y patiner, de novembre à mars. Le système de réfrigération de la glace permet à la patinoire de fonctionner dès que la température atteint 10 oC ou moins. Constantine Petropoulos et Peter Petropoulos, de la firme Petropoulos, Bomis & Associés (PBA), sont les ingénieurs en réfrigération tandis que LS Réfrigération est le sous-traitant.
Montréal est la deuxième plus grande ville du Canada et, en matière de patinoires, la ville se démarque en comptant maintenant plus de 49 patinoires réfrigérées intérieures et extérieures. Elle a presque terminé le remplacement des équipements frigorifiques utilisant du R-22 par des systèmes fonctionnant à l’ammoniac.
Figure 1:Vue aérienne (crédit photo : Ville de Montréal)
Pour l’Esplanade Tranquille, le système de réfrigération est composé ainsi :
- Échangeur de chaleur à plaques et châssis (p/h/x) pour l’évaporateur et le condenseur;
- Les tuyaux de l’échangeur de chaleur, enterrés dans le plancher réfrigéré, sont des tubes d’acier ID de 1 po, nomenclature 40;
- Le fluide caloporteur dans l’évaporateur p/h/x et l’échangeur de chaleur de la patinoire est une saumure composée de chlorure de calcium et d’eau;
- Le système utilise trois compresseurs alternatifs de 100 HP, entraînés par courroie, 1000 tr/min, 59,1 Tr, x 3 = 177,3 Tr;
- Le rapport de capacité de réfrigération est : 19 619,4 pi²/177 Tr = 110,6 pi²/Tr;
- Une charge critique de réfrigérant R-717 (ammoniac). La charge de réfrigérant est estimée à moins de 400 livres (la charge réelle sera découverte au démarrage du système);
- Un séparateur demi-tour U au lieu d’un réservoir tampon;
- Les dispositifs de rejet de chaleur sont des appareils refroidisseurs de fluide refroidis par air;
- L’éthylène glycol (EG) est utilisé comme fluide caloporteur entre le condenseur p/h/x et le refroidisseur de fluide.
Aller plus loin que le Code
Les installations de réfrigération de l’Esplanade Tranquille sont plus restrictives que le Code sur la réfrigération mécanique CSA B52 sous plusieurs aspects. En voici les principaux :
- Une minuscule charge de réfrigérant;
- Laveur d’air;
- Système de récupération d’huile en circuit fermé;
- Bassin de neutralisation;
- Partition du local de classe T en deux salles, salle de contrôle et salle des machines, incluant une mezzanine au niveau du sol;
- Le système de ventilation minimale a été adapté pour pressuriser la salle de contrôle (+) vs la salle des machines (-);
- Corridor de sécurité et de dégagement, entre les issues de la salle des machines;
- Escalier d’issue cloisonné, accessible par un sas et une 2e douche d’urgence.

Figure 2:De la salle de contrôle, une fenêtre donne sur la salle des machines. À droite se trouve le plancher de la mezzanine (crédit photo : Patrick Benoit)
Innovations dans la dalle réfrigérée
- L’échangeur de chaleur dans la zone (B) de la dalle réfrigérée est de 4 passes et 8 passes.
- Le T piqué sur la tuyauterie de retour de saumure sert à purger l’air, jusqu’au réservoir d’expansion, car le collecteur de saumure est trop bas par rapport à la dalle, ce qui rend impossible la purge de l’air.
L’esplanade Tranquille
L’aménagement de l’esplanade Tranquille constitue la dernière phase du projet majeur de réaménagement du secteur névralgique qu’est le Quartier des spectacles à Montréal. Situé à l’angle des rues Sainte-Catherine et Clark, cet espace public de 5000 mètres carrés porte le nom d’Henri Tranquille, libraire et propriétaire de l’éponyme Librairie Tranquille, où fut, entre autres, lancé le Manifeste du Refus global en 1948.
Durant l’été, elle constitue l’un des sites pour les nombreux festivals qui se déroulent dans le Quartier des spectacles. Toutefois, durant la saison hivernale, l’esplanade Tranquille se transforme en patinoire. L’ajout d’une bande encerclant la surface de béton permet de créer une glace de qualité supérieure.
L’esplanade est également composée d’un bâtiment multifonctionnel et bien de son temps, avec chalet urbain, restaurant, salles polyvalentes et toit végétalisé. La terrasse qui longe le bâtiment participe à l’animation de cet espace public, hiver comme été.
Le projet est en chantier depuis longtemps. Son inauguration était d’abord prévue en 2019, puis en 2020. Les coûts de construction, d’abord estimés à 67,1 millions, ont grimpé à 78,8 millions de dollars.

Figure 3: En cas de fuite de réfrigérant, le laveur d’air filtre les vapeurs d’ammoniac, avec un rideau d’eau, avant d’évacuer l’air à l’atmosphère et l’eau à l’égout. Il s’agit d’une mesure de protection pour les voisins de l’installation (crédit photo : Patrick Benoit)

Figure 4:Trois compresseurs de capacité de 59,1 Tr et de 91,9 BHP (crédit photo : Patrick Benoit)

Figure 5: Condenseurs, deux cassettes et échangeurs de chaleur à plaques (crédit photo : Patrick Benoit)

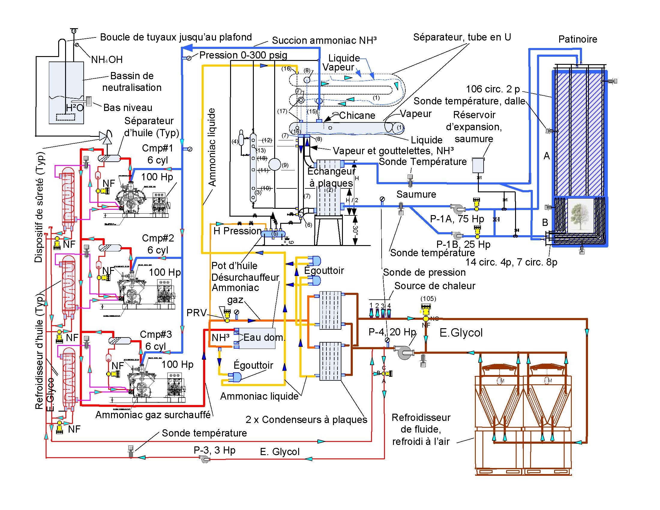
Figure 6: Schéma du système de réfrigération de la patinoire de l’Esplanade Tranquille (ammoniac, E. Glycol, saumure CaCl2) (crédit : Claude Dumas, ing.)
Sur le schéma du système frigorifique, notes sur certaines composantes :
(4) Contrôleur de haut niveau maximal du réfrigérant liquide.
(5) Pot d’huile de volume réduit, pour minimiser la charge de réfrigérant.
(9) Réservoir d’équilibre : il doit contenir des vapeurs de réfrigérant. Il remplace un réservoir haute pression et un contrôleur à colonne, ajustant le niveau de liquide réfrigérant dans l’évaporateur.
(10) Élévation optimale pour le réfrigérant liquide, maximisant l’usage de la capacité latente de l’échangeur à plaque.
(12) Élévation maximale permise pour le réfrigérant liquide.
(A) Dalle de 1546,9 m².
(B) Dalle de 275,8m².


Figure 7: Évaporateur et échangeur de changeur à plaques, plaques en titane, coiffés par le séparateur tube en U (crédit photo : Patrick Benoit)


Figure 8: Refroidisseur de fluide, refroidi à l’air. Le caloporteur est l’E. Glycol (crédit photo : Patrick Benoit)

Figure 9: Échangeur de chaleur dans la dalle réfrigérée, 4 passes, tuyaux d’acier noir. Le T piqué sur la tuyauterie de retour de saumure, sert à purger l’air jusqu’au réservoir d’expansion (crédit photo : Patrick Benoit)

Figure 10: Réservoir d’expansion de la saumure (g.) et ventilateur du laveur d’air (dr.) (crédit photo : Patrick Benoit)

Figure 11: Deux pompes à saumure (75 HP et 25 HP) et deux filtres à poche, pour filtrer la saumure (crédit photo : Patrick Benoit)
Nous tenons à remercier MM. Patrick Benoit et Claude Dumas, ing., expert en systèmes de réfrigération dans les arénas, Division expertise-conseil technique de la Ville de Montréal, pour sa précieuse collaboration à cet article. Nous vous invitons à consulter sa page Web afin d’en apprendre plus à propos des différents projets réalisés dans les arénas : claude-dumas-nh3.ca.
Auteur
Patrick Benoît, Chargé de projets, CETAF
Source CLIMAPRESSE décembre 2021
